官方网址:http://www.hhtc.edu.cn
官方电话:0745-2853370
电子邮箱:hhxyzsb@vip.163.com
院校地址:怀化市鹤城区怀东路180号
《机械制图》专升本考试大纲
怀化学院
一、课程基本信息
机械制图是机械专业的专业基础能力必修课程。机械制图是机械设计制造的技术语言,是一门既有国家标准又有行业规范,既有系统理论又有较强实践性的专业基础课。课程包括画法几何的基础知识、工程制图标准、机械零件图、机械装配图表达等内容。通过本课程的学习,使学生具有初步绘制机械零件图和识读机械图样的能力,学习运用三视图、组合体投影规律、标准件与常用件的规定画法和标注方法等绘制机械产品,为后续专业学习提供交流工具和学习基础。
二、课程考试目的
通过本课程的考试,主要检验学生以下基本知识与能力的掌握程度:
1、掌握国家制图标准的概念,掌握工程制图的国家标准,掌握画法几何的点、线、面投影基础知识,掌握工程图三视图表达方法要点,掌握机械零件图的绘制要点,掌握机械装配图的绘制要点。
2、能够准确地识读和绘制机械零件、机构等工程图样;并具备初步的机械零件设计能力。
三、考试内容与要求
第一章 机械制图国家标准
考核要点:
1、图框、图线、字体、比例、尺寸标注规范;
2、标题栏及其表达;
3、第一角正投影规范。
第二章 基本体投影
考核要点:
1、点、线、面的平等正投影规则;
2、正棱柱、正棱锥、圆柱、圆锥、球的三面投影;
3、点与线的投影关系,两线投影关系,点线在面上的投影关系。
第三章 组合体表达
考核要点:
1、读三视图,补齐第三面视图,改正视图中的错误或漏线;
2、三视图尺寸标注;
3、由轴测图绘制工程图;
4、改变三视图的表达,改用剖视图表达。
第四章 零件图
考核要点:
1、螺纹及螺纹配合的表达;
2、齿轮的表达;
3、轴承的规定画法;
4、识读典型零件,回答绘图问题。
第五章 装配图
考核要点:
1、读常见的机械装配图,拆给零件图;
2、读一般难度的装配图,回答工程图绘制知识问题。
四、考试方式与时间
考试方式:笔试,闭卷
考试时长:2小时
五、考试题型结构及分值分布
考试试卷总分100分。考试题型分为5大类: 1、判断题(16分);2、单项选择题(16分); 3、 填空题(18分);4、作图题(32分); 5、读图题(18分)
六、教材与参考书目
教材:《机械制图》,余晓琴、杨晓红等主编,机械工业出版社,2017.12
参考书目:
1、《画法几何及机械制图》 杨裕根主编,北京邮电大学出版社,2016.6
2、《机械制图》,仝基斌 晏群主编,机械工业出版社,2008.11
附录:题型举例
一、判断题:正确的在括号内打“√”,错误的打“✕”。(本题共8小题,每小题2分,共16分)
1. 同一个零件,在一张图样的各个视图中,其剖面线的方向和间隔可以不一致。 ( )
二、单项选择题:将答案填入括号内。(本题共8小题,每小题2分,共16分)
1.圆柱直齿轮的分度圆和齿顶圆分别用什么线型绘制在工程图样中?( )
A、粗实线;细实线 B、细实线;粗实线 C、虚线、细实线 D、点画线、粗实线
三、填空题:将答案填入横线处。(本题共9空,每空2分,共18分)
1. 尺寸标注中的符号:R表示 ,
表示 。
四、作图题:直接在试题相应位置作图,作图请保留作图痕迹,否则扣相应分。(本题共4小题,每小题8分,共32分)
1.已知物体二个视图及立体图,补画第三视图。

五、读图题:将答案填入横线处。(本题共9空,每空2分,共18分)
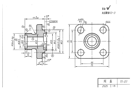
看懂阀盖零件图,回答下列问题:

(1)零件上4个通孔的直径是: 。
(2)零件左边的外螺纹标注的内容为: 。
(3)零件左边的外螺纹是粗牙螺纹还是细牙螺纹: 。
(4)有公差要求的尺寸有: 个。
(5)未注圆角的尺寸是: 。
(6)阀盖的径向尺寸基准是: 。
(7)右端面的表面粗糙度代号中的Ra值是: 。
(8)Æ50h11尺寸的上偏差是: 。
(9)Æ50h11尺寸的下偏差是: 。
湖南中医药大学校区:岳麓区学士街道四海通达产业园2楼
中南林科大校区:天心区中南林业科技大学韶山南路东门
益阳校区:湖南省益阳市赫山区康富北路2号
Copyright © 2017-2027 湖南库课专升本 版权所有