官方网址:http://www.hhtc.edu.cn
官方电话:0745-2853370
电子邮箱:hhxyzsb@vip.163.com
院校地址:怀化市鹤城区怀东路180号
《机械基础》专升本考试大纲
怀化学院
一、课程基本信息
本课程是机械专业的专业必修课,让学生联系实际进行理论学习,让学生掌握机械基础知识,同时培养学生的机械分析能力,为这些专业的学生学习后续专业课程,提供一个专业基础知识平台。课程主要包括三大部分:工程材料及热处理、机械原理与设计、公差与配合。
二、课程考试目的
通过本课程的考试,以检验学生对机械技术的基本知识和基本技能的掌握程度,考核学生分析机械的功能、动作及应用一般机械能力的初步具备程度。
三、考试内容与要求
第一部分 工程材料及热处理
第一章 铁碳合金材料
考核要点:
1、 能看懂铁碳合金相图,准确地说出相图中特征点线的含意,并根据相图判断常温下合金的金相组织结构;
2、了解钢的分类,准确理解钢的牌号,机械零件常用钢的性能及用途,以及Q215、Z45、65Mn、20Mn钢等结构钢的用途,了解牌号9SiCr、W18Cr4V、YG6X、YT30等工具钢的用途;
3、能够识读铸铁的牌号,了解铸铁的种类,了解铸铁的用途。
第二章 铝及铝合金
考核要点:
1、识读铝合金的牌号和用途;
2、形变铝合金的工艺性能。
第三章 热处理
考核要点:
1、钢的热处理种类及应用场合;
2、35钢、65Mn钢、9SiCr的热处理方法及意义;
3、了解热处理后金相组织变化。
第二部分 机械原理及设计
第一章 平面四杆机构
考核要点:
1、运动副的概念、自由度的计算;
2、平面四杆机构的结构、种类;
3、极位夹角、急回特性、死点、压力角的概念。
第二章 齿轮机构
考核要点:
1、齿轮的种类及特点;
2、直齿圆柱齿轮的结构计算;
3、齿轮轮系的类型,定轴轮系传动比的计算。
第三章 螺纹连接及传动
考核要点:
1、螺纹的类型及用途、螺纹连接的类型;
2、普通螺纹的结构,标识;
3、螺栓连接的强度计算;
4、螺纹传动的应用。
第四章 轴系
考核要点:
1、轴的常用材料及热处理;
2、轴的结构设计;
3、滚动轴承的结构,深沟球轴承、角接触球轴承、推力球轴承、圆锥滚子轴承的牌号和用途。
第三部分 公差配合
考核要点:
1、公差与配合的概念;
2、公差带图的应用与计算;
3、配合的种类及计算;
4、公差代号及标注,配合标识及应用。
四、考试方式与时间
考试方式:笔试,闭卷
考试时长:2小时
五、考试题型结构及分值分布
考试试卷总分100分。考试题型分为6大类: 1、填空题(15分);2、单项选择题(15分); 3、 判断题(15分);4、简答题(20分); 5、计算题 (23分) ;6、分析题(12分)
六、教材与参考书目
教材:《机械基础》第1版,杨明霞主编,北京理工大学出版社,2016.1
参考书目:
1、《机械基础教学参考书》第4版,孙大俊主编,中国劳动社会保障出版社,2007.9
2、《机械基础》刘跃男主编,高等教育出版社,2010.6
附录:题型举例
一、填空题 (每空1分,共15分)
钢铁整体热处理大致有退火、( )、( )和( )四种基本工艺。
二、选择题(每小题1分,共15分)
1、退火热处理适合于( )。
A 塑料材料 B 削除内应力 C 20钢 D 钢的淬火
三、判断题(每小题1分,共15分,正确的请打√,错误的请打×)
1、构件都是由若干个零件组成。( )
四、简答题(每小题5分,共20分)
1、某零件的直径为φ35mm,请问该零件的公差是多少?合格零件的尺寸范围是多少?
五、计算题(共23分)
1、有一普通螺旋机构,双线螺纹,螺距P=3 mm,试求当螺杆以45r/min旋转,螺母移动的速度。
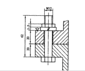
六、分析题(12分)
试找出下图中螺纹联接结构的错误,说明其原因,并在图上改正。(被联接件材料已知,联接件均为标准件)

湖南中医药大学校区:岳麓区学士街道四海通达产业园2楼
中南林科大校区:天心区中南林业科技大学韶山南路东门
益阳校区:湖南省益阳市赫山区康富北路2号
Copyright © 2017-2027 湖南库课专升本 版权所有